發布日期:2022-03-21 瀏覽:1220 次
變比、極性試驗目的及意義:
檢查互感器變比、極性是否與銘牌值相符很重要,因為極性判斷錯誤會導致接線錯誤,進而使計量儀表指示錯誤,更為嚴重的是使帶有方向性的繼電保護誤動作。測量變比可以檢查互感器一次、二次關系的正確性,給繼電保護正確動作、保護定值計算提供依據。
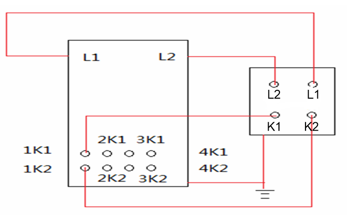
試驗接線(以1K1,1K2為例):

試驗步驟:
1) 將線圈高壓端(L1、L2)接測試儀L1、L2端子,低壓端子(1K1、1K2)接測試儀K1、K2端子。被試電流互感器其它二次繞組開路。使用A相進行測量也可以用其它相測量;
2) 檢查接線無誤后,接通電源開關,開機,預熱半分鐘,儀器選擇“常規測試”(有的儀器的“單相測試” );
3) 參數設置:應根據銘牌所示變比和二次測量繞組的位置設置電流互感器的額定變比;
4) 打開高壓允許開關,經工作負責人許可,長按確認鍵,儀器進入測量,注意安全。此時按任意鍵或關閉高壓允許開關可以中斷測量,調壓器自動回零,儀器返回菜單選擇狀態;
5) 測試完畢,關閉高壓允許開關,測試結果顯示變比、誤差和極性,分別記錄后關機,斷開試驗電源及雙極刀閘;
6) 變更測試線,依次對2k1 2k2、3k1 3k2進行測量,結果與銘牌相符。接線操作一定在測量停止狀態。
試驗標準:
交接標準:
《電氣裝置安裝工程電氣設備交接試驗標準》GB 50150-2006中規定:必須符合設計要求,電流互感器電流比、極性測量要與銘牌相符。
狀態檢修規程:
《國家電網公司輸變電設備狀態檢修規程2008》規定:對互感器綜合特性測試儀核心部件或主體進行解體性檢修之后,或需要確認電流比時,進行本項目。在5%~100%的額定電流范圍內,在一次側注入任一電流值,測量二次側電流,校核電流比。
試驗注意事項:
1) 剩余電荷影響測量結果,測試前必須對互感器進行充分放電;
2) 電流比試驗應分別對每對繞組,每個分接頭進行測量,同時驗正極性是否與銘牌相符;
試驗周期:
1) 交接時;
2) 投運前;
3) 大修后;
4) 必要時。
優力克電力是電力試驗設備的生產廠家,我們的產品全程提供專業的技術服務。

本公司生產全面貫徹 ISO9001:2015 質量管理體系認證證書及文字商標和圖片商標注冊

本公司與武漢各大高校和武漢高壓研究所有著緊密合同關系,有著明細的技術優勢和穩定技術方案

公司具有專業的銷售和技術支持團隊隨時了解和客戶溝通產品的應用情況,提供一對一高效專業的服務

產品全部執行ISO9001質量管理體系,SMT自動化的生產,半成品檢測,成品檢測拷機,讓每一個產品都經過5次以上的100%測試,確保產品質量100%

公司具有精準的預期備貨和保持穩定的安全庫存,滿足客戶的緊急需求和批量性采購需求

公司產品每年抽樣送第三方檢驗(如湖北省技術監督局、武漢市計量院),符合出廠標準和第三方檢測指標要求