發布日期:2022-02-18 瀏覽:1022 次
耦合電容器電容量會影響其通訊質量。
斷路器電容器電容量會影響其均壓效果。
高壓并聯電容器電容量會影響其補償效果。
同時,電容量的變化還會影響其內部電容芯子電壓分布和工作場強,加速其老化,從而造成絕緣事故。故而對電容器的電容量檢測尤為重要,當電容值升高時,可檢查內部元件是否擊穿或受潮,當電容值減小時,可檢查內部元件是否開路或缺油。
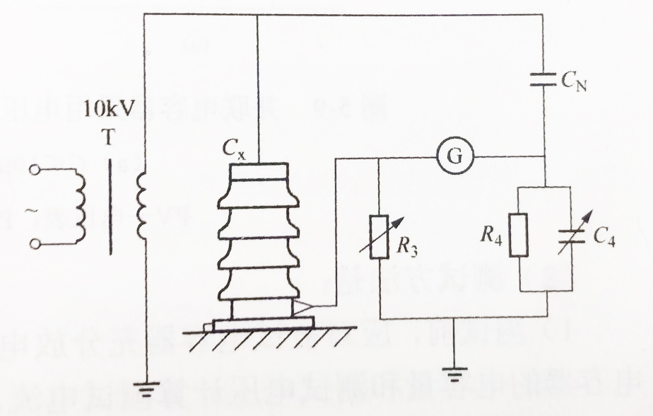
一般采用電橋法的正接線方式進行測試。由于正接線橋體處于低壓屏蔽接地,因此對地寄生電容影響小,測量更加準確,操作也更安全方便。
測量時被試品高壓電極接高壓,低壓電極或小套管接電橋Cx端,帶小套管的耦合電容器法蘭接地。

(T:試驗變壓器,G:檢流計,Cx:被試品,R3、R4:標準電阻,Cn、C4:標準電容)
1.測量前對被試品進行充分放電并接地,拆除所有接線,做好安全措施。
2.合理布置試驗設備,嚴格按照所使用測試儀器的操作說明進行設置與操作。
3.檢查測試接線和調壓器零位
4.檢查Cx芯線和屏蔽是否相碰,并注意保持高壓引線對地的距離,以及橋體是否可靠接地。
5.取下接地線,并使與試驗無關人員遠離被試品。
6.從零開始均勻升壓至測試電壓進行測試,測試電壓為10KV。
7.測試結束后,首先將高壓將至零之后,再進行讀取測試數據,隨后切斷電源。
8.最后對被試品進行充分放電接地,并恢復電容器接線。需要特別注意的是,耦合點容易小套管接地引線的恢復,容易漏掉。
優力克電力是電力試驗設備的生產廠家,我們的產品全程提供專業的技術服務。

本公司生產全面貫徹 ISO9001:2015 質量管理體系認證證書及文字商標和圖片商標注冊

本公司與武漢各大高校和武漢高壓研究所有著緊密合同關系,有著明細的技術優勢和穩定技術方案

公司具有專業的銷售和技術支持團隊隨時了解和客戶溝通產品的應用情況,提供一對一高效專業的服務

產品全部執行ISO9001質量管理體系,SMT自動化的生產,半成品檢測,成品檢測拷機,讓每一個產品都經過5次以上的100%測試,確保產品質量100%

公司具有精準的預期備貨和保持穩定的安全庫存,滿足客戶的緊急需求和批量性采購需求

公司產品每年抽樣送第三方檢驗(如湖北省技術監督局、武漢市計量院),符合出廠標準和第三方檢測指標要求